инстаграм
Тюмень
Ростов-на-Дону
Екатеринбург
Алматы
Москва
Челябинск
Санкт-Петербург
Казань
Набережные Челны
Йошкар-Ола
Ульяновск
Самара
Нижний Новгород
Воронеж
Ижевск
Краснодар
Волгоград
Омск
Иркутск
Владивосток
Астрахань
Минск
Новосибирск
Красноярск
8-800-333-77-29
Заказать звонок
sale@coppertubes.ru
Русские Медные Трубы - РМТ
Компания
Продукция
Инжиниринг
Каталоги
Новости
Сертификаты
Контакты
Вакансии
    Русские Медные Трубы - РМТ
    Компания
    Продукция
    Инжиниринг
    Каталоги
    Новости
    Сертификаты
    Контакты
    Вакансии
      Русские Медные Трубы - РМТ
      Русские Медные Трубы - РМТ
      • Компания
        • Компания
        • О компании
      • Продукция
        • Продукция
        • Медные трубы и фитинги
          • Медные трубы и фитинги
          • Медные трубы
            • Медные трубы
            • Медные трубы метрические
            • Медные трубы дюймовые
          • Медный фитинг
            • Медный фитинг
            • Отводы медные
            • Тройники медные
            • Муфты медные
            • Переходы медные
            • Заглушки медные
            • Маслоподъёмные петли медные
        • Теплоизоляция
          • Теплоизоляция
          • Теплоизоляция k-flex
            • Теплоизоляция k-flex
            • Трубки K-Flex
            • Рулоны K-Flex
            • Клеи, очиститель K-Flex
          • Подвесы
          • Изоляция Thermaflex
        • Хладагенты и масла
          • Хладагенты и масла
          • Хладагенты ICELOONG
            • Хладагенты ICELOONG
            • Хладоны
            • Сервисные баллоны
          • Холодильные масла
            • Холодильные масла
            • Suniso
            • TOTAL
            • Errecom
            • Bitzer
            • Fuchs
            • AFrost
          • Минеральные масла
        • Химические компоненты
          • Химические компоненты
          • Дегидратирующая присадка
          • Усилитель производительности кондиционера
          • Очищающие средства
          • Нейтрализатор кислотности
          • Антибактериальное средство
          • Герметики для кондиционеров
        • Емкостное оборудование
          • Емкостное оборудование
          • Сосуды давления AFrost
          • Ресиверы хладагента
            • Ресиверы хладагента
            • Вертикальные ресиверы
            • Горизонтальные ресиверы
          • Отделители жидкости
          • Маслоотделители
          • Аксессуары
          • Масляные ресиверы
        • Теплообменное оборудование
          • Теплообменное оборудование
          • Воздухоохладители LU-VE
            • Воздухоохладители LU-VE
            • Воздухоохдадители LU-VE серии F27HC
            • Воздухоохдадители LU-VE серии F30HC
            • Воздухоохдадители LU-VE серии F35HC
            • Воздухоохдадители LU-VE серии F45HC
            • Воздухоохдадители LU-VE серии FHA
            • Воздухоохдадители LU-VE серии FHD
            • Воздухоохдадители LU-VE серии SHS
            • Воздухоохдадители LU-VE серии SMA
          • Пластинчатые теплообменники AFROST
          • Теплообменное оборудование MIT
          • Воздухоохладители AFrost
        • Компрессоры
          • Компрессоры
          • Компрессоры AFrost
            • Компрессоры AFrost
            • Поршневые компрессоры
            • Спиральные компрессоры
            • Поршневые герметичные
          • Компрессоры Wansheng
            • Компрессоры Wansheng
            • Бытовые компрессоры Wansheng
            • Коммерческие компрессоры Wansheng
          • Компрессоры Copeland
          • Компрессоры DANFOSS
          • Компрессоры INVOTECH
            • Компрессоры INVOTECH
            • Invotech для среднетемпературного охлаждения YM/YSM
            • Invotech для низкотемпературного охлаждения YF/YSF
            • Invotech для кондиционирования и чиллеров YH R407C
            • Invotech для кондиционирования и чиллеров YH R410A
          • Компрессоры RefComp
            • Компрессоры RefComp
            • Винтовые компрессоры RefComp
            • Поршневые компрессоры RefComp
          • Компрессоры SIKELAN
          • Компрессоры BSonyo
        • Вентиляторы и микродвигатели
          • Вентиляторы и микродвигатели
          • Вентиляторы канальные
          • Осевые вентиляторы Weiguang
          • Микродвигатели Weiguang
          • Осевые вентиляторы Dunli
          • Микродвигатели AFrost
        • Системы управления
          • Системы управления
          • Электронные системы управления Dixell
          • Системы управления Afrost
          • Системы управления Carel
            • Системы управления Carel
            • Контроллеры Carel
          • Контроллеры Elitech
        • Холодильная автоматика
          • Холодильная автоматика
          • Электронные системы управления ADAP-KOOL
            • Электронные системы управления ADAP-KOOL
            • Контроллеры температуры
            • Контроллеры испарителя
            • Контроллер уровня жидкости
            • Контроллеры централи
            • Принадлежности к контроллерам
            • Датчики температуры
            • Преобразователи давления
            • Электронные расширительные клапаны
            • Устройства мониторинга
          • Электронные системы управления Elitech
          • Автоматика и арматура HONGSEN
          • Коммерческая холодильная автоматика Ридан
          • Реле давлений
            • Реле давлений
            • Реле низкого давления
            • Реле высокого давления
            • Реле сдвоенные
            • Картриджнные реле AFrost AF-MP
          • Промышленная автоматика DOFUN
          • Силовая электроника VEDA
            • Силовая электроника VEDA
            • Преобразователи частоты VEDA серии VF-51
            • Преобразователи частоты VEDA серии VF-101
            • Устройства плавного пуска
          • Контроллеры температуры AFrost
        • Промышленная автоматика
          • Промышленная автоматика
          • Автоматика STF
        • Линейные компоненты
          • Линейные компоненты
          • Виброгасители
          • Вентили Rotalock AFrost
          • Манометры AFrost
        • Дренажные помпы
          • Дренажные помпы
          • Помпы ASPEN
          • Помпы SAUERMANN
          • Помпы SICCOM
          • Помпы AFrost
        • Инструменты
          • Инструменты
          • Труборезы
          • Вальцовки
          • Трубогибы, труборасширители
          • Весы, течеискатели
          • Манометрические станции
          • Вакуумные насосы
          • Заправочные шланги
          • Газовые горелки
          • Прочее
          • Станции рекуперации
        • Расходные материалы
          • Расходные материалы
          • Рефнеты (разветвители) медные
          • Припой для пайки медных труб
          • ПП, дренажные трубы и фитинги
          • Крепеж, материалы для монтажа
            • Крепеж, материалы для монтажа
            • Кронштейны для монтажа кондиционеров
          • Капельная воронка
          • Сифоны для кондиционеров
          • Термопластиковые трубки и фитинги
        • Кондиционирование и вентиляция
          • Кондиционирование и вентиляция
          • Вентиляционное оборудование AFrost
          • Сплит-системы
      • Инжиниринг
      • Каталоги
      • Новости
      • Сертификаты
      • Контакты
      • Вакансии
      • 8-800-333-77-29
      sale@coppertubes.ru

      620102, Екатеринбург, ул. Серафимы Дерябиной, 24, оф. 506

      • Главная
      • Продукция
      • Вентиляторы и микродвигатели
      • Осевые вентиляторы Weiguang
      • Осевой вентилятор Weiguang YWF4E-400В 102/47G

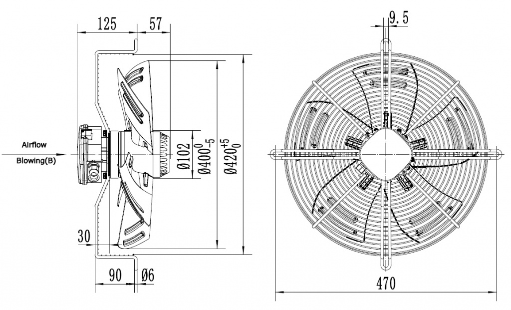
      Осевой вентилятор Weiguang YWF4E-400В 102/47G

      Заказать товар
      Задать вопрос
      Подробнее
      • Осевой вентилятор Weiguang YWF4E-400В 102/47G

      Нужна консультация?

      Наши специалисты ответят на любой интересующий вопрос

      Задать вопрос
      Описание

      Технические характеристики:

      Напряжение, В 220
      Частота тока, Гц 50
      Количество фаз 1
      Потребляемая мощность, кВт 0,180
      Ток, A 0,82
      Производительность по воздуху, м3/час 3700
      Частота вращения, об/мин 1380
      Направление вращения нагнетание   
      Максимальная t перемещаемого воздуха +60°C
      Уровень звукового давления на расстоянии 3м, дБ(А)       67
      Масса, кг 6,5
      Класс защиты двигателя IP 54

      Чертеж:
      YWF4E400B102L47G чертёж.jpg
      Кривая по воздуху:
      YWF4E400B102L47G кривая.jpg
       
      К списку
      

      Партнёры

      Dunli AFrost Elitech Концерн «Тоталь» Iceloong RefComp Sevojno INVOTECH LU-VE Frigopoint VEDA MC DEKA Jintian Sanha ХОЛОД pro Ревдинский завод по обработке цветных металлов ProfCool Wansheng Dun An Hongsen Компания Алекс – Электроникс SOUDAL STF Carel DSZH Sino-Resource Imp. & Exp. Co. Weiguang Hailiang Flex Viega Fischer Ningbo Company' s Refrigeration Industry Co БЭМЗ "Максимум" SICCOM Sauermann Group Aspen Pumps FUCHS RUSSIA Zhejiang Yonghe Refrigerant Co
      Русские Медные Трубы - РМТ

      Комплектующие и расходные материалы для систем охлаждения, вентиляции, кондиционирования и отопления

      • Компания
      • Продукция
      • Информация
      • Сертификаты
      • Контакты
      • Вакансии
      • Медные трубы и фитинги
      • Теплоизоляция
      • Хладагенты и масла
      • Химические компоненты
      • Емкостное оборудование
      • Теплообменное оборудование
      • Компрессоры
      • Вентиляторы и микродвигатели
      • Системы управления
      • Холодильная автоматика
      • Промышленная автоматика
      • Линейные компоненты
      • Дренажные помпы
      • Инструменты
      • Расходные материалы
      • Кондиционирование и вентиляция
      8-800-333-77-29
      Заказать звонок
      sale@coppertubes.ru

      г. Тюмень, ул. 30 лет Победы 4Б

      © 2007-2026 Все права защищены «Русские Медные Трубы»
      Политика
      конфиденциальности


      Пользовательское соглашение

      Политика использования файлов Cookie
      Версия для печати

      В целях обеспечения удобства пользования данным веб-сайтом, используются файлы Cookie. Продолжая просматривать веб-сайт, Вы соглашаетесь с использованием файлов Cookie

      Чтобы узнать больше о том, что такое файлы Cookie, как управлять их использованием и ознакомиться с Политикой использования файлов Cookie, нажмите здесь